Wednesday, May 6, 2020

All About Half Adder

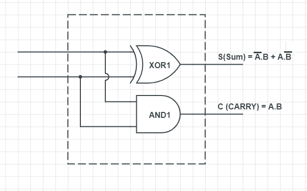
half adderAdders in Digital Circuit and ALU (Arithmetic logic units) for the addition of numbers and also responsible for calculating the addresses and table indices, increment/decrement operators. The Half Adder is one type of this adder family. It is an arithmetic digital circuit that takes two inputs called binary digits (0,1) and adds them to give […]

The post All About Half Adder appeared first on Electronics For You.



from Electronics For You https://ift.tt/3dfIX74

No comments:

Post a Comment

Please do not enter any spam link in the comment box.

How I channel my inner Star Trek character at work

In a recent Twitter thread , I self-identified as "some days Deanna, some days Riker." Others shared their own "Star Trek Sp...